
ГУ-43Б Генераторный тетрод ГУ-43Б в металлостеклянном исполнении с оксидным катодом косвенного накала и принудительным воздушным охлаждением. Предназначен для генерирования и усиления высокочастотных колебаний на частотах до 100 МГц с выходной мощностью не менее 1,3 кВт. Тетрод ГУ-43Б применяется в генераторах с независимым возбуждением или самовозбуждением, линейных усилителях мощности и других радиопередающих устройствах подвижной и стационарной аппаратуры общего и специального назначения. Катод оксидный косвенного накала. Выпускается в металлостеклянном исполнении с наружным анодом и цилиндрическими выводами катода, подогревателя и сеток. Работает в вертикальном положении, выводами вниз. Охлаждение воздушное принудительное не менее 80 м3/ч. Габаритные размеры тетрода ГУ-43Б: — высота лампы не более 125 мм; — диаметр лампы не более
100 мм. Масса не более 1,5 кг. Гарантийный срок хранения лампы ГУ-43Б — 8 лет со дня приёмки представителем заказчика. Наработка не менее 1000 ч. Технические условия: 3.312.017ТУ. Расшифровка маркировки тетрода: ГУ-43Б ГУ — буква, определяющая тип лампы: ГУ — генераторные лампы с частотой генерирования от 30 до 300 МГц; 43 — число порядкового номера разработки данного типа лампы; Б- буква, обозначающая вид принудительного охлаждения: Б — воздушное.



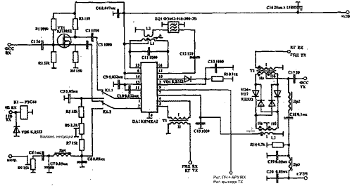
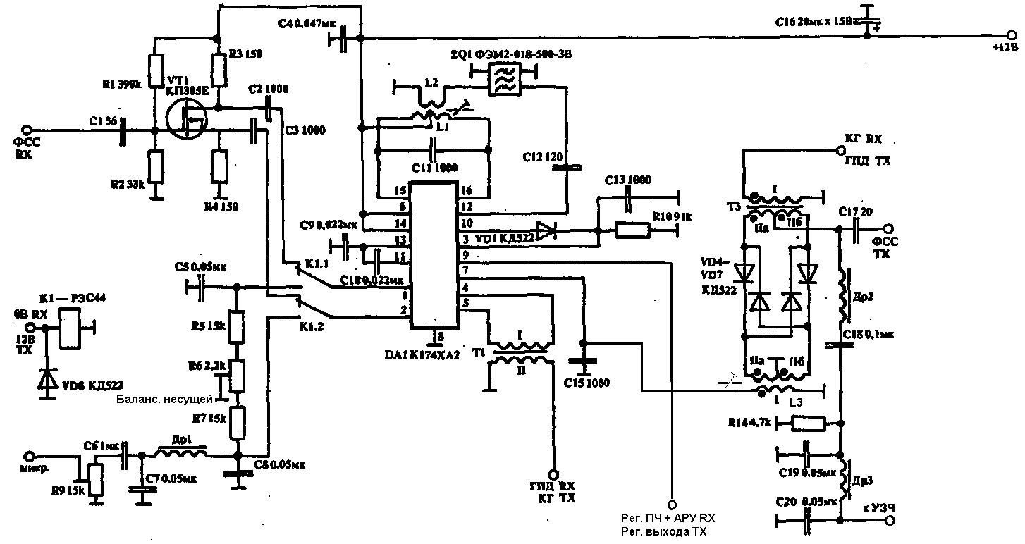
Данный усилитель мощности предназначен для совместной работы с программно определяемым трансивером SDR-1000, выходная мощность которого порядка 0,5 Вт, хотя заявлена выходная мощность не менее одного Ватта. Кроме того, он может быть использован для использования совместно с трансиверизированным радиоприемником любого типа, например, Р-326М, Р-399А, Р-160П.
















